Champs-Tech R41 Size PSFB: FWCT + Current Doubler Transformers

 

General Notes:

1. Proven in actual PSFB to Current Doubler and FWCT configured DC-DC converter applications.

 2. In other applications the R41 PSFB Series can operate over a wider Vin range or configured for different Input & Output Voltage and Rated Power. Increased height allows increased power output due to higher current capability. Adding effective thermal conduction with thermal pads in combination with heat sinks and clamps allows for higher power throughput at rated ambient and hot spot temperatures.

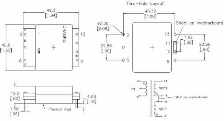
3. Size: 40.6mm wide x 49.3mm length x 15.2mm Height

4.  Multilayer PCB optimization for lowest AC resistance & Proximity Loss Effect

5.  Integer Turns available from 1T to 40T. Can be used as Primary or Secondary. Mechanical configuration and outline allow for a “flex” arrangement. Contact factory for information on any power topology design.

6.  All designs can be supplied with planar windings embedded in the pcb of the Main Module of the converter. Heat Sink and installed power components SM assembly and installation and incorporation into a module are also available.

7. Wide variety of PNs, Designs and Turns Ratios in stock. If not listed, Contact Us

8. Surface Mount, Thru-Hole, Pad-to-Pad, Embedded Planar Windings as Options

 

R41 PSFB Series Catalog

1. Input Voltage Range 17-42.

Champs PN

Vin (Min)

Vin (Max)

Vout

Iout (Adc)

Pout (Watts)

Freq (KHz)

Ton

[uSec]

Half Period Duty

Full Period Duty

R41R6-0304-LF-TP-TH

20

35

12

60

720

200

2.32

46.4%

92.7%

R41R6-0203-LF-TP-TH

20

35

12

60

720

200

2.06

41.2%

84.2%

Output Inductor PN

Induct [uH]

Toff Max

[uSec]

Vpk Secy

Isecy   [Pk Nom]

Ipri         [Pk Nom]

Isecy    [rms Nom]

Iripple    [% Iout]

Core Loss [Watt]

Cu Loss [Watt]

PQI26-3R-40-HX-TH

3.0

3.68

46.7

37.4

53

34.8

24.5

<1.0

5.0

2. Input Voltage Range 32-54.

Champs PN

Vin (Min)

Vin (Max)

Vout

Iout (Adc)

Pout (Watts)

Freq (KHz)

Ton

[uSec]

Half Period Duty

Full Period Duty

R41-0502-LF-TP-TH

43

53

7.0

80

560

125

3.35

41.9%

83.8%

Output Inductor PN

Induct [uH]

Toff Max

[uSec]

Vpk Secy

Isecy   [Pk Nom]

Ipri         [Pk Nom]

Isecy    [rms Nom]

Iripple    [% Iout]

Core Loss [Watt]

Cu Loss [Watt]

PQI26-1R4-HX-TH

1.4

5.28

21.2

53.8

23.8

50

33

<1.0

2.8

3. Input Voltage Range 300-450.

Champs PN

Vin (Min)

Vin (Max)

Vout

Iout (Adc)

Pout (Watts)

Freq (KHz)

Ton

[uSec]

Half Period Duty

Full Period Duty

R41-180101-TP-TH

350

410

16.0

55

880

125

3.39

42.4%

84.8%

Output Inductor PN

Induct [uH]

Toff Max

[uSec]

Vpk Secy

Isecy   [Pk Nom]

Ipri         [Pk Nom]

Isecy    [rms Nom]

Iripple    [% Iout]

Core Loss [Watt]

Cu Loss [Watt]

PQI26-4R7-36-HX-TH

4.7

5.10

45.6

36.4

5.7

32

30.9

3.0

2.0

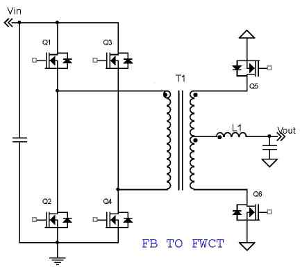
Full Bridge to FWCT Schematic | Full Bridge to Current Doubler Schematic

 


 


 

 

 

 

PQI26 Size Generic Output Inductor Mechanical Drawing